Buy Steel Tees from China for Jordan Infrastructure Projects
Lisa
How Egypt Distributors Source Welding Neck Flanges from China?
Lisa
Import Guide: Welding Neck Flanges from China to Canada
Lisa
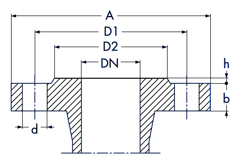
Steel Pipe Flange Dimensions & Ratings: How to Choose the Right Class
Lisa
How Thailand Fabricators Choose China Slip-On Flange Suppliers?
Lisa
Buy Pipe Elbows from China for Cambodia Construction Projects
Lisa
Buy Buttewld Steel Tees from China for Angola Industrial Piping Networks
Lisa
Best-Price Black Steel Pipes from China for Ghana Projects
Lisa
Import Welding Neck Flanges from China to Indonesia – 2025 Guide
Lisa Need a quote? Want to see samples? Just say hello. We’re friendly. We’re fast. And we’re ready when you are.
Welcome to RAYOUNG – Strong Pipes, Stronger Promise